[View 20+] Schema Elettrico Relè Monostabile
Download Images Library Photos and Pictures. Rele Electroyou Rele Electroyou Accensione Luci Da Comandi Locali E Da Comando Centrale Installazione Impianti Elettrici Civili E Terziario Plc Forum Https Encrypted Tbn0 Gstatic Com Images Q Tbn And9gctnrob1coiyjombc R0g6ai1msxww8uv2fwaw Usqp Cau
. Apertura Serratura Cancello Estate Da Scheda Inverno Da Pulsante Altri Argomenti Elettrici Plc Forum Seconda Parte Voltimum Italia Azionare Scambio Senza I Fine Corsa Pagina 3 Forum Gas Tt
Https Encrypted Tbn0 Gstatic Com Images Q Tbn And9gctnrob1coiyjombc R0g6ai1msxww8uv2fwaw Usqp Cau
Https Encrypted Tbn0 Gstatic Com Images Q Tbn And9gctnrob1coiyjombc R0g6ai1msxww8uv2fwaw Usqp Cau
Schemi Di Circuiti Elettronici Chiesti Dai Visitatori
Come Funziona Il Circuito Marcia Arresto Il Blog Dell Istituto Salesiano Manfredini
Schemi Elettrici Industriali Guida Agli Schemi Di Base
Schemi Di Circuiti Elettronici Chiesti Dai Visitatori
Rele Bistabile Set Reset Automatismi Ferroviari Modelside Youtube
Rele Monostabile Modulare Per Montaggio Diretto Su Barra 35 Mm En 60715 Tipo 222382304000 Serie 22 Finder Amazon It Commercio Industria E Scienza
Rele Bistabile Con Ne555 Elettronica Open Source
Arduino Come Pilotare Elettrovalvola Bistabile Utilizzando Due 2 Rele
Come Funziona Un Rele E Dove Viene Utilizzato Elettricista Lodi
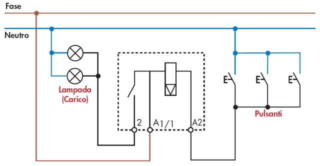
Rele Monostabile Bistabile Passo Passo E Temporizzato
Collegamento E Spiegazione Di Un Rele Bistabile Youtube
Azionare Scambio Senza I Fine Corsa Pagina 3 Forum Gas Tt
Finder 13 11 8 230 0000 Vendita Rele Bistabile Con Reset 230vac
Rele Monostabile Bistabile Passo Passo E Temporizzato
Casa Moderna Roma Italy Rele Passo Passo
Il Minirele A 12v Come Funziona Accensione Lampada Tramite Minirele Youtube
Rele Passo Passo Come Funziona E Come Collegarlo Correttamente Foto Schema
Schema Elettrico Rele Bistabile Fare Di Una Mosca
Come Collegare Il Pulsante Esterno Del Cancelletto Elettroserratura Hardware Upgrade Forum
Schemi Di Circuiti Elettronici Chiesti Dai Visitatori
Tutorial Rele Monostabile Collegamento Contattore E Sonoff Youtube






Comments
Post a Comment